侧装式磁翻板液位计
一、概述1、基本型 根据浮力原理,浮子在测量管内随液位的升降而上、下移动,浮子内的长久磁钢通过耦合作用,驱动红、白色翻柱翻转180°,液位上升时翻柱由白色转为红色,下降时由红色转为白色,从而实现液位
产品信息
一、概述
1、基本型
根据浮力原理,浮子在测量管内随液位的升降而上、下移动,浮子内的长久磁钢通过耦合作用,驱动红、白色翻柱翻转180°,液位上升时翻柱由白色转为红色,下降时由红色转为白色,从而实现液位指示。
2、电远传
在浮子液位计上安装变送器,通过浮子上下移动,经磁耦合作用使导杆内测量元件依次动作,获得电阻信号变化,转换成0~10mA或4~20mA的标准信号输出,与显示仪表或计算机连接,达到远传目的。
3、上下限开关输出
在液位计立管上由用户设定上、下限位置安装控制器,控制器内带有自保持作用的舌簧开关,利用磁性浮子随液位移动使簧片开关动作时,实现报警或限位控制。

二、系统构成及接线
1、上下限开关输出
由具有自保持作用的舌簧开关和转换器组成,舌簧开关和转换器分别安装于现场和控制室,由转换器提供三对触点开关。
2、电远传
由测量单元和变送单元两部分组成。
3、本安防爆
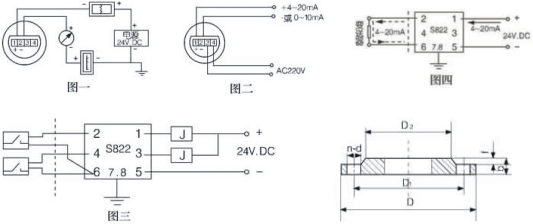
a、带本安防爆,上、下限开关输出型
防爆开关由舌簧开关和带继电器触点的安全栅组成,可向用户直接提供一对常开或常闭触点。如用户需更多触点可特殊设计订货。(图三)
b、带本安防爆远传型
适合使用于∏类电气设备(工厂用)、C级气体,表面温度组别T4(135℃)。(图四)
c、使用注意事项
①变送器外壳设有外接地,用户使用时可靠接地。
②安全栅的使用应遵守有关使用说明内容。
③变送器与安全栅本安端的连接电缆为二芯屏蔽电缆,芯线截面积>0.5m,电缆允许分布电容为0.8μF。

三、用户自备法兰
| 安装形式 | 主体材质 | 公称直径 | 公称压力 | D | D1 | D2 | n | d | f | b |
| 侧装 | 不锈钢 | 20 | 4.0 | 105 | 75 | 56 | 4 | 14 | 2 | 16 |
| ABS | 20 | 10 | 105 | 75 | 56 | 4 | 14 | 2 | 16 | |
| 顶装 | 不锈钢 | 200 | 2.5 | 360 | 310 | 274 | 12 | 26 | 3 | 32 |
| ABS | 200 | 0.6 | 320 | 280 | 274 | 8 | 8 | 3 | 32 |
四、主要技术指标
| 安装形式内容 | 侧装式 | 顶装式 | |
| 安装间距 (测量范围) | 不锈钢 | 500~5000(mm) | 500-2500(mm) |
| ABS、PP-R | 500~4000(mm) | ||
| 工作压力 | 0.6,1.6,2.5,4.0MPa | 0.6,1.6,2.5MPa | |
| 介质密度 | >0。6g/c | >0.76g/c | |
| 法兰连接 | 不锈钢 | 法兰20-40(DN20 PN1.0-4.0) (GB9119-88) | 法兰200-25(DN200 PN1.6) (GB9119-88) |
| ABS | 法兰20-10(DN20 PN1.0) (GB9119-88) | 法兰200-6(DN200 PN0.6) (GB9119-88) | |
| 主体材料 | ICr18Ni9Ti、ABS、PP-R(工作压力0.6MPa) | ||
| 介质温度 | -40~100℃(ABS、PP-R:-40~80℃) | ||
| 环境温度 | -40~+70℃ | ||
| 示值误差 | ±100mm | ||
| 介质粘度 | ≤1st(10-4 | ||
| 上、下限 开关输出 | 1、控制灵敏度:10mm 2、输出接点容量:AC220V 2A 3、接点寿命:5×104次 4、防爆特征:iaIICT4本质安全型 | ||
| 电远传、 连续显示 | 1、精度:±1.5% 2、输出负载:750Ω 3、输出信号:0~10mA输出,220V AC电源 4~20mA输出,24V DC二线制 4、防爆特征:iaIICT4本质安全型 | ||
五、型号说明
| UHZ翻柱式磁浮子液位计 | ||||||||
| 1 侧装式 2 顶装式 | 安装方式 | |||||||
| 1 1Cr18Ni9Ti 2 ABS 3 PP-R | 主体材质 | |||||||
| 1 0.6MPa 2 1.6MPa 3 2.5MPa 4 4.0Mpa | 公称压力 | |||||||
| 1 基本型 2 带上下限开关输出 3 带电远传(0~10mA输出,220V,AC) 4 带电远传(4~20mA输出,24V,DC) 5 带本安防爆型(4~20mA,24V,DC) 6 带本安防爆型上下限开关输出 | 类型 | |||||||
| L 安装间距(测量范围) | ||||||||
| L1 安装深度(顶装式(0~4000mm任选) | ||||||||
| 介质密度ρ(g/c | ||||||||
| 2 | 2 | 1 | 1 | =2500mm | L1=3000mm | ρ=0.8g/cm3 | 举例 | |

浏览:
上一篇:顶装式磁性浮球液位计(可另配护筒)UHZ-50/D型系列
下一篇:超声波液位计

